
Powering Today. Engineering Tomorrow.
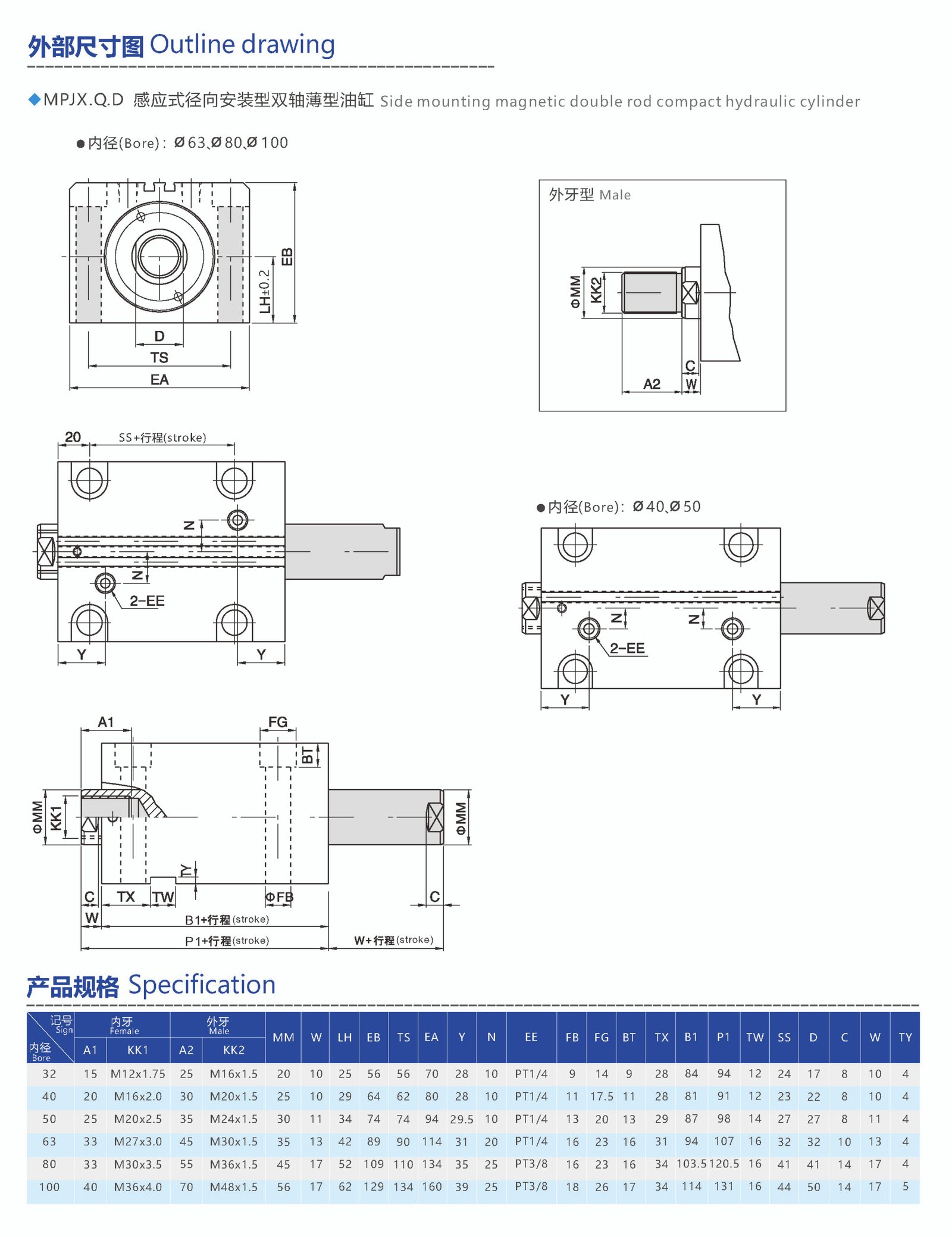
Side mounting magnetic double rod compact hydraulic cylinder
1.housing material: corrosion resistant aluminum alloy , hard anodized.
2.Piston Rod – Medium carbon steel, hard chrome plated and polished.
3.Bore diameter:20-200mm.
4.Rod diameter:12-56mm.
5.Operating pressure:2000 PSI (14MPa).
6.Without Magnetic piston option.
7.Single or double acting.
8.Cushion available.
9.Stroke adjustable.
10.Surface treatment: anodizing.
Frequently Asked Questions
Below you can find some frequently asked questions regarding custom hydraulic cylinders and engineering support. Please feel free to contact us if you have any other questions.
Do you provide customized hydraulic cylinders?
Yes, we do. Mounting style, stroke, output force, and pressure rating can all be customized.
We develop and manufacture products based on customer requirements, drawings, or samples.
Our enginners each have over 10 years of experience. As long as you provide your concept, we can turn it into a finished product. During the customization process, we will confirm every key detail with you to ensure the final product meets your exact needs.
How do you ensure product stability and quality?
Quality is our core commitment. If any quality issue occurs, we guarantee replacement or refund.
Under normal use, our cylinders have a service life of 3–5 years. If any problem occurs within the first year, we will replace it free of charge, and we offer lifetime technical support.
All of our cylinders are manufactured under the ISO9001 quality management system. Custom non-standard products follow the same strict quality requirements.
What advantages do your products offer?
We use Hallite oil seals, tested up to 2 million cycles.
According to different applications, we choose the most suitable materials:
- 45# steel for standard cylinders
- 40Cr for medium- and high-pressure cylinders
- 16Mn / Q345 for low-temperature cylinders
Our cylinders operate reliably in extreme environments from 300°C to –55°C.
What is your delivery time?
After the design drawing is confirmed, production time varies by product type:
- Standard tie-rod / compact cylinders: around 12 working days
- Complex welded cylinders: around 25 working days
We arrange production based on schedule and will deliver within the promised timeframe.
To ensure urgent orders can also be met, we have a dedicated rapid-response team for R&D, custom, and rush-order production. If you have an urgent requirement, we will do our best to support your deadline.
Related products
- Compact Hydraulic Cylinder
Head ports against mounting plate magnetic compact hydraulic cylinder
- Compact Hydraulic Cylinder
Side mounting magnetic double rod stroke adjustable compact hydraulic cylinder
- Compact Hydraulic Cylinder
Side mounting double stroke compact hydraulic cylinder
- Compact Hydraulic Cylinder
Stroke adjustable compact hydraulic cylinder
Didn't find what you need?
Contact us for customization.
Faster Way to Contact Us
Email Us
cenbifyn@gmail.com
WhatsApp【Vinson】
+853 6649 3387
WhatsApp【Ralf】
+853 6649 3386
Address
Room 1, No. 158, Kongxiang East Road, Lujiatun, Kunshan City.






